The study of morphological and anatomical features of the herb astragalus glycyphyllus L.
- Authors: Pozdnуakova T.A.1, Bubenchikov R.A.2
-
Affiliations:
- Orel State University named after I.S. Turgenev
- Scientific and Production Association "Microgen"
- Issue: Vol 22, No 1 (2022)
- Pages: 50-54
- Section: PHARMACEUTICAL CHEMISTRY, PHARMACOGNOSY
- Published: 15.02.2022
- URL: https://aspvestnik.ru/2410-3764/article/view/105209
- DOI: https://doi.org/10.55531/2072-2354.2022.22.1.50-54
- ID: 105209
Cite item
Full Text
Abstract
Aim – to establish the morphological, anatomical and microdiagnostic features of the stem, leaf blade, calyx and corolla of Astragalus glycyphyllus in accordance with the regulatory documentation.
Material and methods. The object of the study was the herb Astragalus glycyphyllus harvested in the Kursk region in 2021 during the period of mass flowering of the plant. The State Pharmacopoeia XIV standard was used for macro- and microscopic analysis.
Results. The raw material of the licorice-leaved astragalus consists of non-woody leafy stems 20-25 cm long with flowers, whole and crushed leaves of a grayish-green color, parts of the stem and individual flowers of a greenish-yellow color. The microscopic analysis presented the stem of Astragalus glycyphyllus having a round-ribbed shape, covered on the outside with epidermis with straight-walled cells, with longitudinally wrinkled cuticle. Leaf cells have slightly sinuous walls with anomocytic stomata. The rachis in cross section has a triangular shape with small lateral outgrowths and anomocytic stomata. The epidermis of the rachis is pubescent with simple bicellular hairs with rough surface. Cells of the epidermis of the calyx from the prosenchymal form (in the tube of the calyx) to the parenchyma (in the pharynx, on the teeth of the calyx), anomocytic stomata. At the base of the corolla there are epidermal cells of a prosenchymal form, straight-walled with straight or beveled ends, in the limb of the corolla - epidermal cells of a prosenchymal form, straight-walled with a longitudinal wrinkled cuticle. The epidermis of the stem, leaves, rachis and calyx is pubescent with simple two-celled hairs on a short basal cell with a long terminal cell, with rough surface.
Conclusion. The macro- and microdiagnostic features of the herb Astragalus glycyphyllus were described to distinguish the raw material "Astragalus glycyphyllus herb".
Full Text
Введение
При разработке новых лекарственных препаратов для получения эффективных и безопасных средств приоритет по-прежнему отдается биологически активным соединениям, выделяемым из лекарственных растений.
Одними из наиболее широко используемых в медицинской практике разных стран являются представители рода астрагал (Astragalus L.) семейства бобовых (Fabaceae), поскольку они содержат в своем составе разные группы биологически активных веществ и обладают широким спектром фармакологической активности [1, 2, 3, 4, 5]. В частности, эти растения очень популярны в восточной медицине, где им предписывают чудодейственные свойства. В эксперименте содержащийся в растениях астрагалозид оказывает антиоксидантное, нейропротекторное действие [6, 7], эффективен при болезни Альцгеймера и Паркинсона [7, 8], замедляет старение клеток [9, 10]. В России в настоящее время государственной нормативной документацией к медицинскому применению разрешен только астрагал шерстистоцветковый, используемый в качестве седативного и гипотензивного средств [11]. Не менее перспективным, на наш взгляд, является астрагал солодколистный. Он очень сходен с астрагалом шерстистоцветковым по фармакологической активности, однако у него более широкий ареал произрастания и, как следствие, не столь ограниченная сырьевая база [12, 13]. Растение издавна применяется в народной медицине при заболеваниях сердечно-сосудистой системы, верхних дыхательных путей и желудочно-кишечного тракта. Астрагал солодколистный улучшает работу иммунной системы, регулирует обмен веществ, выводит из организма токсины, улучшает работу печени и снижает уровень сахара в крови, а также проявляет антиоксидантную активность [14]. Химический состав астрагала солодколистного очень разнообразен и представлен разными группами биологически активных веществ. Надземная часть растения содержит фенольные соединения (флавоноиды, фенолкарбоновые кислоты, кумарины), также здесь присутствуют дубильные вещества, каротиноиды и тритерпеновые сапонины (производные даммарана) [12]. В траве растения установлено наличие органических кислот [15].
Все эти качества позволяют отнести астрагал солодколистный к перспективным видам сырья для использования в официальной медицинской практике.
Цель исследования
Установление морфолого-анатомических и микродиагностических признаков стебля, листовой пластинки, чашечки и венчика астрагала солодколистного (Astragalus glycyphyllus L.) в соответствии с современными требованиями нормативной документации.
Материал и методы
Установление диагностических признаков проводили на сырье астрагала солодколистного, произрастающего в Курской области. Заготовка травы была произведена в течение летнего периода 2021 года, во время массового цветения растения. При проведении макроскопического анализа руководствовались действующей нормативной документацией – статьей «Травы» Государственной фармакопеи РФ ХIV. Подготовленную к анализу траву помещали на стеклянную пластинку, тщательно расправляя стебель, листья, цветки, и рассматривали невооруженным глазом с помощью лупы (10×) и стереомикроскопа (8×, 16×, 24× и др.) [16].
При проведении микроскопического анализа травы астрагала солодколистного также руководствовались ГФ РФ ХIV. Микропрепараты готовили в соответствии с методами, указанными в ОФС «Техника микроскопического и микрохимического исследования лекарственного растительного сырья и лекарственных растительных препаратов», из цельных листьев, кусочков пластинки листа с краем и жилкой, кусочков листа от основания и верхушки, кусочков черешка; чашечки и ее кусочков, венчика, кусочков цветочной стрелки и стебля [16, 17].
Приготовленные микропрепараты рассматривали, используя для этой цели лабораторный микроскоп «Биолам С-11», и фотографировали цифровой фотокамерой Nicon D 3100. Получение микрофотографии редактировали для лучшего качества в программе PhotoScape v 3.5.
Результаты и их обсуждение
Изучаемое сырье астрагала солодколистного состоит из неодревесневших облиственных стеблей длиной около 20–25 см с цветками, цельных и измельченных листьев, частей стебля и отдельных цветков. Стебли округло-ребристые диаметром от 2 до 4 мм опушены бурыми волосками. Листья очередные до 20–23 см длиной, непарно-перистосложные, состоят из 8–16 пар листочков и имеют прилистники. Отдельные листики сложного листа сидячие или располагаются на коротких черешочках, сверху голые, снизу присутствует редкая короткая беловолосистая опушка. Листочки эллиптические, реже продолговато-яйцевидной формы, к верхушке округло-тупые, длина 1,8–4 см, ширина 0,9–2 см. Прилистники свободные, заостренные, длиной 1–2 см, скудно белореснитчатые, нижние – яйцевидные, верхние – ланцетные. Цветки по 10–20 мм собраны в кистевидные соцветия. Цветоносы длиной от 5 до 14 см, скудно и мелко белопушистые. Кисти яйцевидные или продолговато-яйцевидные, длиной 3–5 см. У цветков имеются белопленчатые прицветники, ланцетной формы, с шиловидными зубцами, по краю скудно белореснитчатые, 0,2–0,4 см длиной. Чашечка длиной 0,5-0,6 см, имеет неравные шиловидные зубцы: три – длиной 0,2 см и два – 0,1 см. Венчик зеленовато-желтый мотылькового типа: флаг длиной 0,1–0,2 см с ноготком длиной 0,4 см; крылья длиной 0,1–1,2 см с округлой пластинкой на верхушке, равной или почти равной ноготку; лодочка длиной 0,9–12 см с сильно горбатой пластинкой, равной ноготку или немного короче. Завязь голая или мелковолосистая; столбик короче завязи, голый. Цвет стеблей и листьев серовато-зеленый, цветков – зеленовато-желтый. Запах слабый, своеобразный. Вкус сладковатый.
Микроскопический анализ позволил установить, что стебель астрагала солодколистного имеет округло-ребристую форму, снаружи покрыт эпидермисом, клетки которого прямостенные, с продольно-морщинистой кутикулой. Вдоль ребер они прозенхимной формы с прямыми или со скошенными концами; в межреберье клетки эпидермиса многоугольной формы. Устьица многочисленные, аномоцитного типа встречаются по эпидермису в межреберье. Эпидермис опушен простыми двуклеточными волосками на короткой базальной клетке с длинной конечной (терминальной) клеткой, с бугристой поверхностью. Такие волоски часто заполнены бурым содержимым (пигментом). Пластинчатая колленхима залегает в большей степени в ребрах, она образует 4–6 слоев, в межреберье слой. Основная паренхима образована тонкостенными клетками, занимает небольшой объем, формируя 2–3 слоя. Внутренний слой первичной коры представлен эндодермой. Центральный цилиндр пучкового типа начинается со склеренхимы, которая встречается большими группами над флоэмой проводящих пучков и окружает пучок со стороны ксилемы. Коллатеральные проводящие пучки расположены по кругу. Мелкоклеточная флоэма занимает приблизительно такой же объем, что и ксилема. Сосуды ксилемы крупные в диаметре. Сердцевина стебля образована тонкостенными паренхимными клетками, которые ближе к центру разрушаются, формируя полость. В паренхиме сердцевины образуются мелкие крахмальные зерна (рисунок 1).
Рисунок 1. Микродиагностические признаки стебля астрагала солодколистного. 1 – поперечный срез стебля астрагала солодколистного (40х), 2 – фрагмент поперечного среза стебля (100х), 3 – фрагмент паренхимы сердцевины стебля с клетками, заполненными крахмальными зернами (400х), 4 – фрагмент эпидермиса стебля в межреберье с устьицами и клетками многоугольной формы (200х), 5 – фрагмент эпидермиса стебля вдоль ребра с двуклеточным волоском с бугристой поверхностью (200х), 6 – фрагмент эпидермиса стебля с клетками с продольной морщинистостью кутикулы.
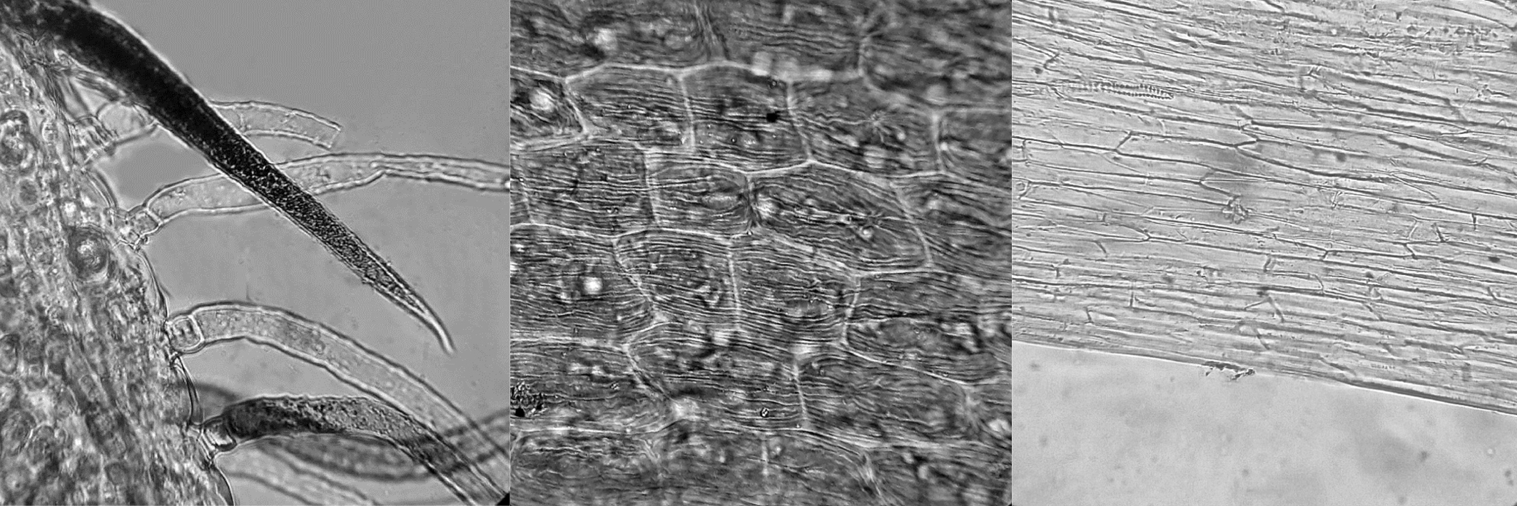
При рассмотрении листа с поверхности видны клетки верхнего эпидермиса со слабоизвилистыми стенками, иногда прямостенные с четко видным утолщением клеточных стенок. Клетки нижнего эпидермиса извилистостенные со слегка заметной продольной морщинистостью кутикулы. Устьица расположены в основном на нижнем эпидермисе, окружены 3–4 клетками, не отличающимися от основных клеток эпидермиса (аномоцитный тип). Вдоль жилки клетки эпидермиса прозенхимной формы с прямыми или со скошенными конечными клетками. Волоски простые, двуклеточные, толстостенные, с очень короткой базальной клеткой и длинной конечной (терминальной) клеткой с бугорчатой поверхностью, равномерно располагаются по поверхности листа. Вокруг волосков клетки эпидермиса расположены лучисто, образуя розетку. Часто в сырье по эпидермису листа можно встретить такие розетки из клеток эпидермиса на месте прикрепления волоска (рисунок 2).
Рисунок 2. Микродиагностические признаки листа астрагала солодколистного. 1 – фрагмент верхнего эпидермиса листа с розеткой из клеток эпидермиса на месте прикрепления волоска и клетками эпидермиса со слабоизвилистыми стенками (200х), 2 – фрагмент верхнего эпидермиса листа с простым двуклеточным волоском (100х), 3 – фрагмент эпидермиса вдоль жилки листа с клетками прозенхимной формы (200х), 4 – розетка эпидермиса на месте прикрепления волоска (100х), 5 – фрагмент края листа с простыми двуклеточными волосками (100х), 6 – фрагмент нижнего эпидермиса листа с устьицами и извилистостенными клетками эпидермиса (100х).
Рахис на поперечном срезе имеет треугольную форму с небольшими латеральными выростами. Снаружи рахис покрыт эпидермисом. Клетки эпидермиса паренхимной и прозенхимной формы, прямостенные с крупными устьицами, аномоцитного типа. Эпидермис опушен простыми двуклеточными волосками с бугристой поверхностью. Волосок состоит из очень короткой базальной клетки и длинной конечной (терминальной) клетки. Механическая ткань рахиса представлена уголковой колленхимой, залегающей непосредственно под эпидермисом, и склеренхимой, которая большими участками располагается над проводящими пучками. Крупные и мелкие проводящие пучки закрыто-коллатерального типа располагаются по кругу, чередуясь между собой в количестве 5–7. Основная паренхима занимает пространство между другими тканями и в центре иногда разрушается, образуя полость. В клетках основной паренхимы образуются мелкие крахмальные зерна (рисунок 3).
Рисунок 3. Микродиагностические признаки рахиса астрагала солодколистного. 1 – поперечный срез рахиса (400х), 2 – фрагмент эпидермиса рахиса с простым двуклеточным волоском (100х), 3 – фрагмент эпидермиса рахиса с устьицем (100х).
При изучении цветка установлено, что клетки эпидермиса чашечки от прозенхимной формы (в трубке чашечки) до паренхимной (в зеве, на зубцах чашечки). Стенки клеток эпидермиса прямые (в трубке чашечки) или слегка извилистостенные (в зеве, на зубцах чашечки). По эпидермису чашечки встречаются устьица аномоцитного типа. Чашечка обильно опушена простыми двуклеточными толстостенными волосками с бугорчатой поверхностью, с очень короткой базальной клеткой и длинной конечной клеткой. Такие волоски часто заполнены темно-коричневым пигментом. В основании венчика клетки эпидермиса прозенхимной формы, прямостенные с прямыми или со скошенными концами. В отгибе венчика клетки эпидермиса прозенхимной формы, прямостенные с продольной морщинистой кутикулой (рисунок 4).
Рисунок 4. Микродиагностические признаки цветка астрагала солодколистного. 1 – фрагмент края чашечки с простыми двуклеточными пигментированными и непигментированными волосками (100х), 2 – фрагмент эпидермиса отгиба венчика с клетками эпидермиса с продольной морщинистой кутикулой (200х), 3 – фрагмент эпидермиса в основании венчика с клетками эпидермиса прозенхимной формы (200х).
Заключение
При изучении микродиагностических признаков травы астрагала солодколистного установлено, что стебель имеет пучковый тип строения. По эпидермису стебля, листьев, рахиса и чашечки встречаются устьица аномоцитного типа. Клетки эпидермиса по большей части прямостенные с четко видным утолщением клеточных стенок. Рахис на поперечном срезе имеет треугольную форму с небольшими латеральными выростами, пучковый тип строения. В клетках основной паренхимы стебля и рахиса образуются мелкие крахмальные зерна. Стебель, рахис, листовые пластинки и чашечка обильно опушены простыми двуклеточными волосками на короткой базальной клетке с длинной конечной (терминальной) клеткой, с бугристой поверхностью, часто заполненными пигментом, что является наиболее характерным микродиагностическим признаком при установлении подлинности травы астрагала солодколистного. Вокруг волосков клетки эпидермиса располагаются лучисто, образуя розетку, которая остается на месте прикрепления волоска.
Установленные характерные макро- и микроскопические признаки травы астрагала солодколистного позволяют проводить диагностику сырья «Астрагала солодколистного трава».
Конфликт интересов: авторы заявляют об отсутствии конфликта интересов, требующего раскрытия в данной статье.
About the authors
Tatyana A. Pozdnуakova
Orel State University named after I.S. Turgenev
Author for correspondence.
Email: pozdnyakova.tatyana.72@mail.ru
ORCID iD: 0000-0002-6058-6619
PhD, Associate professor, Department of Pharmacology, clinical pharmacology and pharmacy
Russian Federation, OrelRoman A. Bubenchikov
Scientific and Production Association "Microgen"
Email: fg.ksmu@mail.ru
ORCID iD: 0000-0003-0955-6892
PhD, Associate professor, Head of the Department of Standardization and implementation
Russian Federation, MoscowReferences
Supplementary files







